Forum de Proteção e Automação - CONPROVE

Forum com informações de Proteção de Sistemas Elétricos de Potência e Automação de Subestações
Hoje é 19 Mar 2026, 20:49

Todos os Horários estão como UTC - 3 horas [ DST ]




Criar novo tópico Responder Tópico  [ 1 Mensagem ] 
Autor Mensagem
MensagemEnviado: 29 Ago 2014, 09:42 
Offline

Data de registro: 16 Jan 2014, 15:02
Mensagens: 144
• A NECESSIDADE:

ATRIBUIR UMA DIRECIONALIDADE PARA FALTAS 3Φ, 2Φ E A TERRA, MANTENDO A COORDENAÇÃO ENTRE OS RELÉS DE SOBRECORRENTE EM UM SISTEMA EM ANEL (INTERCONECTADO).

Observe na figura abaixo (SISTEMA RADIAL), que para faltas no alimentador 2, não existe contribuição vinda do restante dos alimentadores. Não sendo necessária a coordenação entre o relé (51B) do trecho faltoso e os relés dos outros alimentadores.

Anexo:
IMG01.jpg
IMG01.jpg [ 24.81 KiB | Visualizado 19425 vezes ]


A única coordenação necessária no sistema acima é entre o relé 51B e o relé 51P, ou seja, para garantir a seletividade, o tempo de atuação em B tem que ser menor que o tempo de atuação em P. Para manter os outros relés coordenados, eles também têm que atender essa condição, ou seja, o tempo de atuação em seus respectivos alimentadores tem que ser menor que o tempo de atuação em P. A conclusão é que não há necessidade de coordenação entre os relés dos alimentadores, somente entre eles individualmente e o relé 51P.
Agora observe a situação abaixo (SISTEMA EM ANEL):

Anexo:
IMG02.jpg
IMG02.jpg [ 20.25 KiB | Visualizado 19425 vezes ]


A priori, a coordenação entre o relé A e C ficaria da seguinte maneira:

 FALTA 1: Tempo de atuação em C menor que o Tempo de atuação em A;
 FALTA 2: Tempo de atuação em A menor que o Tempo de atuação em C;

Repare que nesse caso existe uma ambiguidade no que tange ao tempo de atuação para faltas em diferentes locais. Como o relé não possui tempos distintos de atuação ocorreria que para uma falta em F1, por exemplo, tanto o relé C quanto relé A iriam atuar.
A solução para esse caso é que o relé 51A não enxergue faltas em F1 e o relé 51C não enxergue faltas em F2. Os relés de sobrecorrente então precisam de uma supervisão direcional. A proteção de sobrecorrente direcional pode ser aplicada tanto em sistemas com diversas fontes de geração quanto em sistemas em anel.

• A DEFINIÇÃO:

O conceito de direcionalidade está intimamente ligado ao sentido que uma corrente (de falta ou nominal) está fluindo em um determinado circuito. Como a corrente é uma grandeza vetorial, a direção está relacionada ao ângulo de fase com que está percorrendo esse circuito. Se para um sentido adotado como direto a corrente possui um ângulo, no sentido contrário adotado como reverso a corrente irá possuir o mesmo ângulo acrescido de 180°. Com o intuito de determinar o sentido é necessário que exista uma referência que não se altere sob hipótese alguma. Para que se aplique o conceito acima, o relé direcional (67) necessita de duas grandezas para operar, uma grandeza de operação cujo ângulo, dependendo da situação, desloca-se com relação à uma grandeza de polarização (referência angular).

Anexo:
IMG03.jpg
IMG03.jpg [ 14.68 KiB | Visualizado 19425 vezes ]


Anexo:
IMG04.jpg
IMG04.jpg [ 11.02 KiB | Visualizado 19425 vezes ]


• O FUNCIONAMENTO:

Nos relés eletromecânicos a função direcional era exercida pelo movimento mecânico de um cilindro de indução. Para que o movimento ocorra é necessário que um torque atue sobre essa peça mecânica. O torque então surge da interação de duas grandezas gerando a seguinte equação:

T=|POL| x |OPR| x cos (Φ-Φtm)

Devido à grande utilização do relé eletromecânico direcional, a equação acima juntamente com termos técnicos foi mantida nos IED ‘s. Até hoje os termos “torque máximo”, “polarização” e “operação” são utilizados e inclusive a equação acima é emulada para a determinação da operação do elemento 67. Observe a figura abaixo:

Anexo:
IMG05.jpg
IMG05.jpg [ 18.44 KiB | Visualizado 19425 vezes ]


A partir desse diagrama fasorial é possível entender a equação de torque e consequentemente a princípio de funcionamento da função 67. Deslocada de Φtm a partir da grandeza de polarização existe a linha de torque máximo. Caso a grandeza de operação se posicione em cima dessa linha (Φ = Φtm ) ocorrerá o torque positivo máximo liberando a operação do relé. Para verificar isso matematicamente basta observar na equação acima que quando Φ = Φtm o cosseno atinge seu valor máximo e consequentemente o torque máximo aparecerá. A partir do momento que Φ vai se afastando de Φtm o torque vai diminuído. Se afastarmos Φ ao ponto de ficar oposto à Φtm ocorrerá o torque negativo máximo restringindo a operação do relé.

Anexo:
IMG06.jpg
IMG06.jpg [ 16.49 KiB | Visualizado 19425 vezes ]


A teoria exposta acima se aplica nos relés digitais, a diferença fica no aspecto de que Φtm nos relés eletromecânicos eram valores fixos e dependiam da impedância da bobina de polarização e nos IED ’s esse valor é parametrizado podendo ir de 0° a 360° dependendo somente do estudo feito pelo engenheiro.

• A CLASSIFICAÇÃO:

Existem basicamente dois tipos de relés direcionais: direcional de fase (67 ou 67P) e o direcional de neutro (67N). Dentro de cada um existem mais classificações que dependem da forma de polarizar o relé, ou seja, a forma como a grandeza de polarização é captada ou medida. A pergunta que fica é: qual fonte de polarização deve ser utilizada?

 FUNÇÃO DIRECIONAL DE FASE (67 ou 67P):

Nos relés direcionais de fase existem três subclassificações que dependem da fonte de polarização: Polarização em quadratura ou em 90°, polarização a 30° e polarização a 60°. Nesse tópico será debatida somente a polarização em quadratura e no final será concluído o porquê das outras polarizações não serem utilizadas. Observe a figura abaixo o relé 67 para a fase A:

Anexo:
IMG07.jpg
IMG07.jpg [ 21.71 KiB | Visualizado 19425 vezes ]


Essa é a forma de polarizar o relé mais utilizada até hoje. Isso se deve ao fato da fonte ser de alta confiabilidade durante uma situação de falta. Ou seja, para uma falta na fase A, dependendo do local, a tensão da fase A afunda muito prejudicando a polarização do relé caso essa fase fosse utilizada como uma fonte de polarização. Essa forma de polarizar o relé 67 recebe o nome de polarização em quadratura ou a 90°. Ele recebe esse nome porque para uma condição de fator de potência unitária, com Ia e Va em fase, existirá uma defasagem de 90° entre a grandeza de polarização e a grandeza de operação. O ângulo de torque máximo (ΦATM) para os relés eletromecânicos depende da impedância da bobina de polarização (bobina de tensão) e possui valores típicos de 45° ou 30°. Considere que o relé possui esse ângulo de 30°, considere também que o ângulo característico da linha de transmissão é de 60°. Para uma falta sólida, a grandeza de operação iria se alocar bem na linha de torque máximo conforme figura abaixo:

Anexo:
IMG08.jpg
IMG08.jpg [ 17.47 KiB | Visualizado 19425 vezes ]


Anexo:
IMG09.jpg
IMG09.jpg [ 18.55 KiB | Visualizado 19425 vezes ]


Para não ficar refém da impedância da bobina de tensão e o torque máximo acontecer somente para impedâncias de linha com ângulo de 60° ou 45° os IED ‘s permitem que o ângulo de torque máximo seja parametrizado com qualquer valor abrangendo todas as características de linha. As polarizações a 30° e a 60° não são opções coerentes pois utilizam a tensão (ou parte dela) faltosa. Por esse motivo os IED ‘s já vem configurados para utilizar as tensões de linha. Abaixo um exemplo do relé da GE (D-90):

Anexo:
IMG10.jpg
IMG10.jpg [ 31.68 KiB | Visualizado 19425 vezes ]


 FUNÇÃO DIRECIONAL DE TERRA (67N):

O princípio de funcionamento para essa função é o mesmo utilizado para direcionalidade de fase. Ou seja, a equação de torque é a mesma:

T=|POL| x |OPR| x cos (Φ-Φtm)

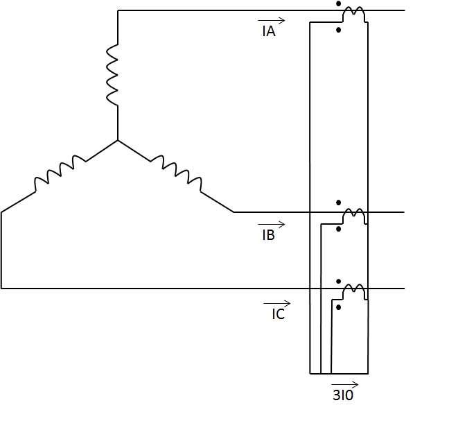
Porém o grande problema encontrado aqui é a forma de polarizar o relé. Essa grandeza é fundamental para a operação do dispositivo e sua filosofia tem de seguir rigorosamente a seguinte afirmativa: SER UMA FONTE COM ALTA CONFIABILIDADE E NÃO ALTERAR O SEU SENTIDO PARA FALTAS EM QUALQUER PONTO NO SISTEMA. A grandeza de operação geralmente é a utilização da corrente 3I0. Existem diversas formas de se obter essa grandeza tais como: TC acoplado em um neutro aterrado, conexão de TC ‘s de fase em estrela gerando uma corrente residual entre o ponto de neutro dessa conexão e o terra e por fim com um TC somador. Para a grandeza de operação, a forma mais utilizada seria com os TC ‘s de fase conectados em estrela, conforme figura abaixo:

Anexo:
IMG11.jpg
IMG11.jpg [ 30.33 KiB | Visualizado 19425 vezes ]


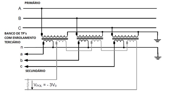
 POLARIZAÇÃO POR TENSÃO DE SEQUÊNCIA ZERO (3V0):

Em uma falta a terra é comum aparecer tensões de componentes de sequência zero. Para que o elemento direcional de terra com polarização por tensão residual (3V0) responda corretamente é necessário que a corrente de residual seja associada com essa tensão residual (mesmo princípio para o direcional de terra, porém com outras grandezas). O sistema de tensão residual no qual é uma soma de vetores das tensões de fase fornecerá a referência (polarização) necessária para a operação correta. As conexões mais usuais para a obtenção dessa grandeza são mostradas a seguir:

Utilizando TP ‘s auxiliares:

Anexo:
IMG12.jpg
IMG12.jpg [ 30.45 KiB | Visualizado 19425 vezes ]


Utilizando TP ‘s com terciário:

Anexo:
IMG13.jpg
IMG13.jpg [ 32.83 KiB | Visualizado 19425 vezes ]


 POLARIZAÇÃO POR TENSÃO DE SEQUÊNCIA NEGATIVA (V2):

Nesse método a grandeza de polarização utilizada é a tensão de sequência negativa e a grandeza de operação pode ser a corrente medida ou calculada 3I0 ou a própria corrente de sequência negativa I2. Durante uma falta a terra todas as componentes simétricas aparecem, conforme diagrama vetorial a seguir:

Anexo:
IMG14.jpg
IMG14.jpg [ 22.17 KiB | Visualizado 19425 vezes ]


Os elementos direcionais de sequência zero podem atuar incorretamente para algumas faltas na linha adjacente com acoplamento mútuo. O uso de elementos direcionais de sequência negativa resolve o problema. Outras vantagens dos elementos direcionais de sequência negativa incluem o seguinte:
Os elementos de sequência negativa são aplicáveis às subestações onde somente existem TP ‘s conectados em V (“open-delta”) ou onde os TP ‘s estão disponíveis somente no lado oposto dos transformadores de potência estrela-delta. Os elementos de sequência negativa são fáceis de serem verificados no campo para confirmação de operação e conexões corretas. Um ponto importante na aplicação do elemento direcional de terra é a disponibilidade e a confiabilidade da grandeza de polarização. A tensão ou a corrente (que será debatida a seguir) de sequência zero não está sempre disponível; a tensão de sequência negativa é sempre disponível. Existem casos (para faltas na extremidade da linha, por exemplo), em que 3V0 é maior do que 3V2; em outros casos, o oposto é verdadeiro, dependendo da topologia e parâmetros do sistema.
Entretanto, pode ser demonstrado que a tensão de sequência negativa que ocorre durante uma falta é inversamente proporcional à potência da fonte que existe atrás do relé, no caso de uma falta à frente, ou na frente do relé, para uma falta reversa. Isto é, quanto mais potente a fonte (menor será a impedância da fonte), menor será a tensão de sequência negativa. Esse fato, somado ao efeito da resistência de falta, que tende a diminuir o valor da corrente de falta (e da corrente de sequência negativa) existente durante uma falta, produz uma sensibilidade mínima para o elemento direcional de sequência negativa tradicional.
Isso pode ser visto no perfil de tensão de sequência positiva, negativa e zero para uma falta a terra no meio de uma linha. Note que a tensão de sequência positiva na fonte é maior do que no local do curto e o contrário ocorre para as tensões de sequência negativa e sequência zero, onde elas são maiores no local do curto e quase zero no local da fonte. Se você estiver próximo a uma fonte, várias grandezas de sequência podem ser insuficientes para polarizar o relé para uma falta à terra. Isto pode ser especialmente um problema para usar a polarização por tensão de Sequência zero uma vez que existem transformadores com fontes de terra localizados ao logo da rede de transmissão.

Anexo:
IMG15.jpg
IMG15.jpg [ 25.74 KiB | Visualizado 19425 vezes ]


 POLARIZAÇÃO POR CORRENTE DE SEQUÊCIA ZERO (I0):

Em um sistema desbalanceado, correntes de terra fluem no ponto de aterramento do neutro para o sistema. Portanto esse fluxo pode ser utilizado para determinar a direção de faltas a terra funcionando como grandeza de polarização (referência). O problema é: qual outra fonte de terra será utilizada visto que para a grandeza de operação é utilizado o método dos TC ‘s conectados em estrela no secundário?

Abaixo estão algumas formas utilizadas para essa captação:

Anexo:
IMG16.jpg
IMG16.jpg [ 52.45 KiB | Visualizado 19425 vezes ]


É importante notar que alguns dos métodos acima podem ser incorretamente implementados resultando em uma direcionalidade errada ou uma baixa quantidade de corrente. Por exemplo, em um simples TC de neutro pode não ser confiável, devido à relação de transformação ou devido a força de outras fonte de I0. Em muitos casos a corrente de neutro pode ser zero ou mudar a sua direção dependendo do local da falta.
Se você estiver numa barra com uma fonte forte de corrente de sequência zero, uma falta remota pode resultar numa distorção de tensão muito pequena. Logo, a polarização por corrente é desejável. Se houver uma única fonte de terra na barra, pode não haver nenhuma fonte de polarização por corrente se esta única fonte estiver fora de serviço. Logo, a polarização por 3V0 é desejável. (Estas são duas razões que fazem com que o relé 67N polarizado dual seja tão popular). O acoplamento mútuo de sequência zero pode resultar em operação incorreta para a polarização por corrente ou tensão de sequência zero, de forma que a polarização por sequência negativa é frequentemente melhor.

CONCLUSÃO: NOS RELÉS DIRECIONAIS DE NEUTRO É NECESSÁRIO REALIZAR UM ESTUDO PARA REALIZAR A ESCOLHA CORRETA DE QUAL SERÁ A FONTE DE POLARIZAÇÃO.


Voltar ao topo
 Perfil  
 
Mostrar mensagens anteriores:  Organizar por  
Criar novo tópico Responder Tópico  [ 1 Mensagem ] 

Todos os Horários estão como UTC - 3 horas [ DST ]


Você não pode criar novos tópicos neste fórum
Você não pode responder tópicos neste fórum
Você não pode editar suas mensagens neste fórum
Você não pode excluir suas mensagens neste fórum
Você não pode enviar anexos neste fórum

Procurar por:
Ir para:  
cron
Powered by phpBB® Forum Software © phpBB Group
Traduzido por phpBB Brasil